| Status de disponibilidade: | |
|---|---|
| Quantidade: | |
INTJ-L11
CAIDAO
O microscópio metalográfico vertical transparente e reflexivo da série INTJ-L11 é adequado para observação microscópica de objetos opacos ou transparentes.O instrumento está equipado com sistema de iluminação de queda e transmissão, lente objetiva acromática de campo plano de longo alcance (sem tampa de vidro), ocular de campo grande e dispositivo de observação de polarização integrado.Por isso, tem as características de imagem clara, bom contraste e operação conveniente.É um instrumento ideal para a pesquisa de biologia, metalologia, mineralogia, engenharia de precisão e eletrônica.É adequado para escolas, pesquisas científicas, fábricas etc.
1. Equipado com grande ocular de campo e lente objetiva acromática de campo plano de longa distância (sem tampa de vidro), o campo de visão é grande e claro.
2. Mecanismo de focagem coaxial de micro movimento grosseiro, estanqueidade dinâmica grosseira ajustável, com dispositivo de bloqueio e limitação, valor da grade de micro movimento: 2μm。
3. Está equipado com dois conjuntos de sistemas de iluminação, queda e transmissão, que podem observar respectivamente objetos opacos ou objetos transparentes.
4. Lâmpada de halogênio 6V20W, brilho ajustável.
5. Barril de lente de três olhos, que pode alternar livremente entre observação normal e observação de polarização, e pode realizar 100% de fotografia de transmissão de luz.
Tubo de observação articulado: O tubo de observação de três olhos, com visibilidade única ajustável e tubo de lente inclinado a 30 °, pode ser conectado a dispositivos de fotografia e câmera.
Ocular: Ocular plana de campo grande WF10x com faixa de campo de visão φ 18mm, que fornece um espaço de observação amplo e plano.Ocular de divisão de 10X, faixa de campo de visão φ 18mm para correção central.
Palco mecânico de dupla camada, tamanho: 185 mm ✕ 140 mm, alcance móvel: 75 mm ✕ 50 mm, conceito de design moderado, mais conveniente e confortável para os usuários operarem o palco.
Lâmpada halógena de 6V 20W com brilho ajustável, parada de campo integrada, parada de abertura, dispositivo de conversão de filtro de cor (amarelo, azul, verde, vidro fosco), polarizador push-pull.
Construído em dispositivo de iluminação de lâmpada halógena: lâmpada halógena de 6V 20W (brilho ajustável) é adotada, o que pode fornecer uma imagem de observação microscópica clara e distinta.
Coletor de luz: coletor de luz com abertura de campo.
Condensador: O condensador Abbe NA1.25 é ajustável para cima e para baixo.
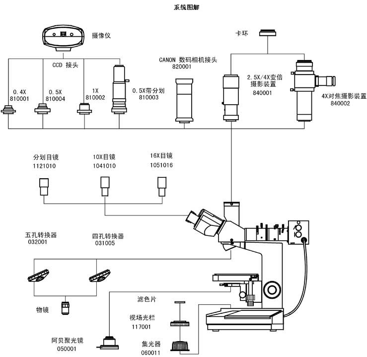
A gravação digital de alta definição e o modo de observação da câmera podem ser realizados configurando os acessórios de observação da câmera (conector CCD, conector de câmera digital, conector de câmera digital SLR, etc.).
Observação polarizadora Observação de campo claro
Configuração padrão
Ocular | Campo amplo WF10X(Φ18mm) | |
Lentes objetivas | Objetiva acromática plana de longa distância (sem tampa de vidro) PL 5X/0,12 | |
Objetiva acromática plana de longa distância (sem tampa de vidro) PL L10X/0,25 | ||
Objetiva acromática plana de longa distância (sem tampa de vidro) PL L40X/0,60 | ||
Objetiva acromática plana de longa distância (sem tampa de vidro) PL L60X/0,75 (mola) | ||
Tubo da ocular | Três oculares, inclinação de 30 ˚, (polarizador integrado para comutação) | |
Sistema de iluminação gota | Lâmpada halógena 6V 20W, brilho ajustável | |
Iluminador de gota com barra de luz de campo, barra de luz de abertura, polarizador, filtro de cor (amarelo, azul, verde) e vidro fosco | ||
Sistema de focagem | Focagem coaxial de atrito grosseiro, valor da grade de atrito: 2 μ m.A estanqueidade dinâmica grosseira é ajustável, com dispositivos de travamento e limitação | |
Conversor | Quatro furos (posicionamento da bola para dentro) | Cinco buracos (posicionamento da bola para dentro) |
Palco | Tipo móvel mecânico de dupla camada (tamanho: 185mmx140mm, alcance móvel: 75mmx50mm) | |
Sistema de iluminação de transmissão | O condensador Abbe NA1.25 pode ser levantado e abaixado | |
Filtro azul e vidro fosco | ||
Coletor de luz, adequado para lâmpada halógena | ||
Lâmpada halógena 6V 20W, brilho ajustável | ||
Opcional
Ocular | Ocular de campo amplo WF16X(Φ11mm) |
Dividindo a ocular 10X(Φ18mm), valor da grade 0,1mm/grade | |
Lentes objetivas | Objetiva acromática plana de longa distância (sem vidro de cobertura) PL L 50X/0,70 |
Objetiva acromática plana de longa distância (sem tampa de vidro) PL L 80X/0,80 | |
Objetiva acromática plana de longa distância (sem tampa de vidro) PL L 100X/0,85 (mola) | |
Objetiva acromática plana (sem tampa de vidro) PL 100X/1,25 (mola, óleo) | |
Filtro de cor | Filtro de cor verde |
Filtro de cor amarela | |
Conector CCD | 0,4X |
0,5X | |
1X | |
0,5X com régua divisória, valor de grade 0,1mm/grade | |
Câmera | DV-1 com saída USB e de vídeo |
DV-2 (saída USB 1,30/3/5/10 milhões de pixels) | |
DV-3 com saída de vídeo | |
Dispositivo de câmera | Câmera 2.5X/4Xzoom com ocular 10Xviewfinder |
Câmera de focagem 4X | |
fecho MD | |
fecho PK | |
Conector da câmera digital | CANON(A610,A620,A630,A640) |
O microscópio metalográfico vertical transparente e reflexivo da série INTJ-L11 é adequado para observação microscópica de objetos opacos ou transparentes.O instrumento está equipado com sistema de iluminação de queda e transmissão, lente objetiva acromática de campo plano de longo alcance (sem tampa de vidro), ocular de campo grande e dispositivo de observação de polarização integrado.Por isso, tem as características de imagem clara, bom contraste e operação conveniente.É um instrumento ideal para a pesquisa de biologia, metalologia, mineralogia, engenharia de precisão e eletrônica.É adequado para escolas, pesquisas científicas, fábricas etc.
1. Equipado com grande ocular de campo e lente objetiva acromática de campo plano de longa distância (sem tampa de vidro), o campo de visão é grande e claro.
2. Mecanismo de focagem coaxial de micro movimento grosseiro, estanqueidade dinâmica grosseira ajustável, com dispositivo de bloqueio e limitação, valor da grade de micro movimento: 2μm。
3. Está equipado com dois conjuntos de sistemas de iluminação, queda e transmissão, que podem observar respectivamente objetos opacos ou objetos transparentes.
4. Lâmpada de halogênio 6V20W, brilho ajustável.
5. Barril de lente de três olhos, que pode alternar livremente entre observação normal e observação de polarização, e pode realizar 100% de fotografia de transmissão de luz.
Tubo de observação articulado: O tubo de observação de três olhos, com visibilidade única ajustável e tubo de lente inclinado a 30 °, pode ser conectado a dispositivos de fotografia e câmera.
Ocular: Ocular plana de campo grande WF10x com faixa de campo de visão φ 18mm, que fornece um espaço de observação amplo e plano.Ocular de divisão de 10X, faixa de campo de visão φ 18mm para correção central.
Palco mecânico de dupla camada, tamanho: 185 mm ✕ 140 mm, alcance móvel: 75 mm ✕ 50 mm, conceito de design moderado, mais conveniente e confortável para os usuários operarem o palco.
Lâmpada halógena de 6V 20W com brilho ajustável, parada de campo integrada, parada de abertura, dispositivo de conversão de filtro de cor (amarelo, azul, verde, vidro fosco), polarizador push-pull.
Construído em dispositivo de iluminação de lâmpada halógena: lâmpada halógena de 6V 20W (brilho ajustável) é adotada, o que pode fornecer uma imagem de observação microscópica clara e distinta.
Coletor de luz: coletor de luz com abertura de campo.
Condensador: O condensador Abbe NA1.25 é ajustável para cima e para baixo.
A gravação digital de alta definição e o modo de observação da câmera podem ser realizados configurando os acessórios de observação da câmera (conector CCD, conector de câmera digital, conector de câmera digital SLR, etc.).
Observação polarizadora Observação de campo claro
Configuração padrão
Ocular | Campo amplo WF10X(Φ18mm) | |
Lentes objetivas | Objetiva acromática plana de longa distância (sem tampa de vidro) PL 5X/0,12 | |
Objetiva acromática plana de longa distância (sem tampa de vidro) PL L10X/0,25 | ||
Objetiva acromática plana de longa distância (sem tampa de vidro) PL L40X/0,60 | ||
Objetiva acromática plana de longa distância (sem tampa de vidro) PL L60X/0,75 (mola) | ||
Tubo da ocular | Três oculares, inclinação de 30 ˚, (polarizador integrado para comutação) | |
Sistema de iluminação gota | Lâmpada halógena 6V 20W, brilho ajustável | |
Iluminador de gota com barra de luz de campo, barra de luz de abertura, polarizador, filtro de cor (amarelo, azul, verde) e vidro fosco | ||
Sistema de focagem | Focagem coaxial de atrito grosseiro, valor da grade de atrito: 2 μ m.A estanqueidade dinâmica grosseira é ajustável, com dispositivos de travamento e limitação | |
Conversor | Quatro furos (posicionamento da bola para dentro) | Cinco buracos (posicionamento da bola para dentro) |
Palco | Tipo móvel mecânico de dupla camada (tamanho: 185mmx140mm, alcance móvel: 75mmx50mm) | |
Sistema de iluminação de transmissão | O condensador Abbe NA1.25 pode ser levantado e abaixado | |
Filtro azul e vidro fosco | ||
Coletor de luz, adequado para lâmpada halógena | ||
Lâmpada halógena 6V 20W, brilho ajustável | ||
Opcional
Ocular | Ocular de campo amplo WF16X(Φ11mm) |
Dividindo a ocular 10X(Φ18mm), valor da grade 0,1mm/grade | |
Lentes objetivas | Objetiva acromática plana de longa distância (sem vidro de cobertura) PL L 50X/0,70 |
Objetiva acromática plana de longa distância (sem tampa de vidro) PL L 80X/0,80 | |
Objetiva acromática plana de longa distância (sem tampa de vidro) PL L 100X/0,85 (mola) | |
Objetiva acromática plana (sem tampa de vidro) PL 100X/1,25 (mola, óleo) | |
Filtro de cor | Filtro de cor verde |
Filtro de cor amarela | |
Conector CCD | 0,4X |
0,5X | |
1X | |
0,5X com régua divisória, valor de grade 0,1mm/grade | |
Câmera | DV-1 com saída USB e de vídeo |
DV-2 (saída USB 1,30/3/5/10 milhões de pixels) | |
DV-3 com saída de vídeo | |
Dispositivo de câmera | Câmera 2.5X/4Xzoom com ocular 10Xviewfinder |
Câmera de focagem 4X | |
fecho MD | |
fecho PK | |
Conector da câmera digital | CANON(A610,A620,A630,A640) |
